사건번호 2025 타경 1845
본건은 강원특별자치도 홍천군 남면 양덕원리 22-2 외 3필지
소재하는 공장경매 물건의 포스팅입니다.
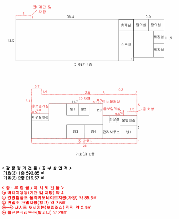
건물면적 [ 1423.33㎡ (430.56평) ]
토지면적 [ 전체:12792㎡ (3869.56평)
매각지분:12217㎡ (3695.63평) ]
시세를 반영한 감정가 2,924,288,310에서
신건으로 감정가 대비 100%
최저가 2,924,288,310부터
입찰에 참여할 수 있습니다.
입찰보증금은 최저가 10%
292,428,831이며,
춘천지방법원 경매2계에서
2026-05-11(10:00)
진행 예정입니다.
| 소재지 | [지번] 강원특별자치도 홍천군 남면 양덕원리 22-2 외 3필지 | ||||
|---|---|---|---|---|---|
| 용도 | 공장 | 채권자 | ㈜**외1명 | 감정가 | 2,924,288,310 |
| 건물면적 | 1423.33㎡ (430.56평) | 채무자 | ㈜** | 최저가 | (100%) 2,924,288,310 |
| 토지면적 | 전체:12792㎡ (3869.56평) 매각지분:12217㎡ (3695.63평) |
소유자 | ㈜** | 보증금 | (10%) 292,428,831 |
| 매각대상 | 건물전부, 토지지분, 분묘기지권, 대항력있는임차인 | 경매종류 | 임의경매 | 사건접수일 | 2025-08-05 |
| 최초경매일 | 2026-05-11 | 배당종기일 | 2025-12-05 | 경매개시일 | 2025-08-05 |
| 주의사항 | ☞ 여기 눌러 무료상담 받아보기 | ||||
기일내역
| 회차 | 매각기일 | 최저매각금액 | 결과 |
|---|---|---|---|
| 신건 | 2026-05-11 | 2,924,288,310 |
임차인현황
| 임차인 | 점유현황 | 전입/확정/배당 |
|---|---|---|
| i** | 주거임차인 주거용 |
전입 : 2014-11-25 / 확정 : X / 배당 : X |
| i** | 상가임차인 점포 2층2022.10.05.-2024.10.04. |
확정 : X / 배당 : X |
| i** | 주거임차인 주거용 |
전입 : 2025-09-04 / 확정 : X / 배당 : X |





















































