광주아파트경매 광주시 신현동 1232 이편한세상 오포3차 제302동 제4층 제401호 №2024 타경 60720

차별화된 5단계 맞춤형 경매 서비스 - 더블옥션

법원경매전문 (주)더블옥션은 보증보험 가입 및 법원 매수대리 등록업체로 안전하고 책임있는 컨설팅을 진행합니다. 등록번호(02-17-3)

사건번호 2024 타경 60720

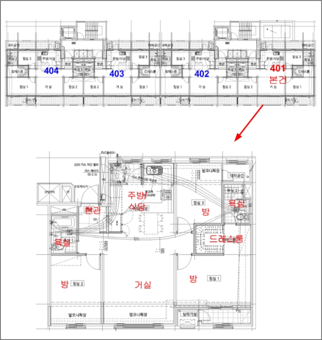
본건은 경기도 광주시 신현동 1232 이편한세상 오포3차 제302동 제4층 제401호
소재하는 아파트경매 물건의 포스팅입니다.

건물면적 [ 79.04㎡ (23.91평) ]
대지권 [ 69.17㎡ (20.92평) ]

시세를 반영한 감정가 598,000,000에서
1회 유찰되어 감정가 대비 70%
최저가 418,600,000부터
입찰에 참여할 수 있습니다.

입찰보증금은 최저가 10%
41,860,000이며,
성남지원 경매7계에서
2025-08-11(10:00)
진행 예정입니다.

소재지 [지번] 경기도 광주시 신현동 1232 이편한세상 오포3차 제302동 제4층 제401호
[도로명 주소] 경기도 광주시 오포읍 신현로 20 이편한세상 오포3차 제302동 제4층 제401호
용도 아파트 채권자 에** 감정가 598,000,000
건물면적 79.04㎡ (23.91평) 채무자 김** 최저가 (70%) 418,600,000
대지권 69.17㎡ (20.92평) 소유자 김** 보증금 (10%) 41,860,000
매각대상 경매종류 임의경매 사건접수일 2024-06-20
최초경매일 2025-08-11 배당종기일 2024-08-26 경매개시일 2024-06-24
주의사항 ☞ 여기 눌러 무료상담 받아보기

기일내역

회차 매각기일 최저매각금액 결과
신건 2025-03-24 598,000,000 유찰
2025-04-28 418,600,000 변경
2차 2025-08-11 418,600,000
정확한 권리 분석, 꼼꼼한 현장 조사, 예상 낙찰가 제안, 대출 연계, 점유자 이전 - 더블옥션

임차인현황

임차인 점유현황 전입/확정/배당
조사된 임차인 내역 없음
더블옥션은 법원 등록 및 보증 보험 가입 업체로 안전하고 성공적인 당신의 비즈니스를 지원합니다. - 더블옥션











부동산 경매 전문기업 - 더블옥션

Related Posts