경산주택경매 경산시 와촌면 시천리 113-1외 2필지 №2023 타경 217(1)

차별화된 5단계 맞춤형 경매 서비스 - 더블옥션

법원경매전문 (주)더블옥션은 보증보험 가입 및 법원 매수대리 등록업체로 안전하고 책임있는 컨설팅을 진행합니다. 등록번호(02-17-3)

사건번호 2023 타경 217(1)

본건은 경상북도 경산시 와촌면 시천리 113-1외 2필지
소재하는 주택경매 물건의 포스팅입니다.

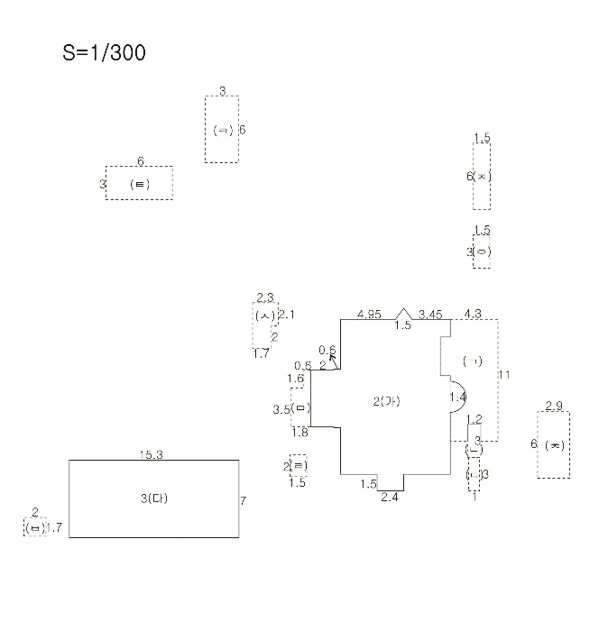
건물면적 [ 353.24㎡ (106.85평) ]
토지면적 [ 2324㎡ (703.01평) ]

시세를 반영한 감정가 1,035,095,940에서
1회 유찰되어 감정가 대비 70%
최저가 724,567,000부터
입찰에 참여할 수 있습니다.

입찰보증금은 최저가 10%
72,456,700이며,
대구지방법원 경매9계에서
2025-07-17(10:00)
진행 예정입니다.

소재지 [지번] 경상북도 경산시 와촌면 시천리 113-1외 2필지
[도로명 주소] 경상북도 경산시 와촌면 시천1길 55-7
용도 주택 채권자 달** 감정가 1,035,095,940
건물면적 353.24㎡ (106.85평) 채무자 안** 최저가 (70%) 724,567,000
토지면적 2324㎡ (703.01평) 소유자 안** 보증금 (10%) 72,456,700
매각대상 법정지상권 경매종류 임의경매 사건접수일 2023-01-06
최초경매일 2025-07-17 배당종기일 2023-03-21 경매개시일 2023-01-09
주의사항 ☞ 여기 눌러 무료상담 받아보기

기일내역

회차 매각기일 최저매각금액 결과
2023-08-22 1,031,415,940 변경
신건 2025-02-13 1,035,095,940 유찰
2025-03-20 724,567,000 변경
2025-05-22 724,567,000 변경
2차 2025-07-17 724,567,000
정확한 권리 분석, 꼼꼼한 현장 조사, 예상 낙찰가 제안, 대출 연계, 점유자 이전 - 더블옥션

임차인현황

임차인 점유현황 전입/확정/배당
조사된 임차인 내역 없음
더블옥션은 법원 등록 및 보증 보험 가입 업체로 안전하고 성공적인 당신의 비즈니스를 지원합니다. - 더블옥션

이하 시천리 113-1(시천1길 55-7) 지상 주택,부속건물,화장실
시천리 690 지상 조립식 건물


시천리 690 지상 컨테이너

이하 시천리 113-1 지상 주택



시천리 113-1 지상 화장실
시천리 113-1 지상 주택전경
이하 시천리 221 지상 조립식 창고




시천리 113-1 지상 주택
이하 현황조사 통지서 투입 및 채무자 우편물등


기호(1)토지 전경
기호(1)(4)(6)토지 전경
제시외 건물(ㄴ)(ㄷ)전경
제시외 건물(ㅅ)전경
제시외 건물(ㅋ)전경
기호(4)토지 전경
기호2(가)건물 전경
제시외 건물(ㄹ)전경
제시외 건물(ㅇ)전경
제시외 건물(ㅌ)전경
기호(5)토지 전경
기호3(다)건물 전경
제시외 건물(ㅁ)전경
제시외 건물(ㅈ)전경
기호(1)(4)(6)토지 주변 전경
기호(6)토지 전경
제시외 건물(ㄱ)전경
제시외 건물(ㅂ)전경
제시외 건물(ㅊ)전경
기호(5)토지 주변 전경
건 물 개 황 도
건 물 개 황 도
위 치 도
위 치 도
지 적 및 건 물 개 황 도
부동산 경매 전문기업 - 더블옥션

Related Posts